头像
bwei
版主
帖子: 2894
注册时间: 周一 7月 16, 2012 9:06 am

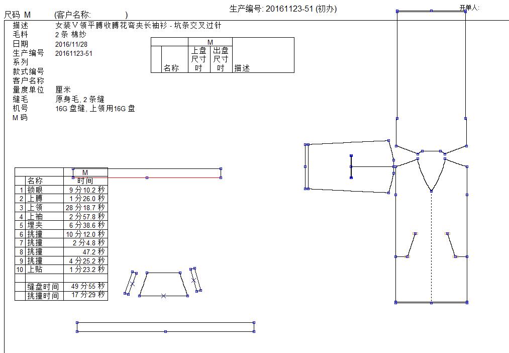
女装V领平膊收膊花弯夹长袖衫 - 坑条交叉过针

帖子bwei » 周三 11月 23, 2016 4:29 pm

20161123-51​女装V领平膊收膊花弯夹长袖衫 - 坑条交叉过针
附件
20161123-51.jpg
20161123-51.jpg (861.11 KiB) 查看 96673 次

头像
bwei
版主
帖子: 2894
注册时间: 周一 7月 16, 2012 9:06 am

Re: 女装V领平膊收膊花弯夹长袖衫 - 坑条交叉过针

帖子bwei » 周四 12月 08, 2016 11:42 am

编写下数纸
附件
20161123-51-1.jpg
20161123-51-1.jpg (130.81 KiB) 查看 96661 次

头像
bwei
版主
帖子: 2894
注册时间: 周一 7月 16, 2012 9:06 am

Re: 女装V领平膊收膊花弯夹长袖衫 - 坑条交叉过针

帖子bwei » 周四 12月 08, 2016 11:42 am

编写下数纸
附件
20161123-51-2.jpg
20161123-51-2.jpg (51.12 KiB) 查看 96661 次

头像
bwei
版主
帖子: 2894
注册时间: 周一 7月 16, 2012 9:06 am

Re: 女装V领平膊收膊花弯夹长袖衫 - 坑条交叉过针

帖子bwei » 周四 12月 08, 2016 11:43 am

全件衫缝合指示
附件
20161123-51-3.jpg
20161123-51-3.jpg (60.82 KiB) 查看 96661 次

头像
bwei
版主
帖子: 2894
注册时间: 周一 7月 16, 2012 9:06 am

Re: 女装V领平膊收膊花弯夹长袖衫 - 坑条交叉过针

帖子bwei » 周四 12月 08, 2016 11:43 am

档案分享,欢迎查阅!
附件
20161123-51.aks
(389.97 KiB) 已下载 4900 次